同城约跑16以上,上海顶级高端大圈,深圳商务模特经纪人预约,夜猫子(广佛深莞珠)平台

我公司自1992年开始,一直为“国家内燃机发电机组质量监督检查中心”检验合格的柴油发电机组制造厂商。公司拥有先进的检测设备、精湛的生产工艺、专业的制造设计、完善的质量管理体系、 雄厚的研发实力,服务网络遍布全国各地,随时为您提供设计、供应、调试、维修一条龙服务!

江苏星光柴油发电机组

江苏星光动力集团 >> 技术支持 >> 沃尔沃发电机的电压调节器数据及励磁系统接线图

技术支持

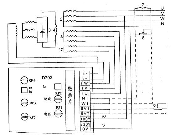
沃尔沃发电机的电压调节器数据及励磁系统接线图

[文章来源:星光] [发布日期:2018-01-24] [浏览次数:]
  沃尔沃发电机的自动电压调节器AVR和D202型,它的全部元器件都装在一块印刷是路板上,引出线通过多芯插接件或螺栓与外界联接,可以安装在接线盒中,也可以移出机外,安装在控制屏中,移出机外时,应特别注意调节AVR的通风冷却。

电压调节器数据及励磁系统接线图

1、励磁机磁场绕组   2、励磁机转子绕组   3、旋转整流器  4、发电机磁场绕组
5、发电机主定子绕组   6、辅助绕组   7、调差互感器   8、调差电位器
9、远程电压调节电位器   10、三次谐波绕组

  RP1:电压调节
  RP2:稳定调节 R1:积分时间常数调节
  RP3:50Hz的频率拐点调节(K2打开)
  RP4:50Hz或60Hz时电压下迭大小调节
  RP5:60Hz的频率拐点调节(K2接通)3.6.1可用于50Hz和60Hz的发电机中,用于60Hz发电机时,K2开关置于“ON”位置,(即断开位置)。


  测量变压器输入电压为400伏(也可为230伏),短路和过载保护的快速熔断10A,5秒(此容断器装在调节器线路板上)。需要有负载缓冲功能和U/f=常数功能时,K3开关置于“ON”位置,不需这两项功能时,K3开关置于“断开”位置。 需要远程电压调节时,可将RV1和RV2之间的短路接线断开,接入一个KΩ的电位器(推荐用多圈电位器)。N1,W1出厂时被短接,如有并联运行要求,折去短接线,在此二端接上调差装置(该装置由一个电流互感器和一个电位器并联接而组成)。电流互感器付边容量为1VA,电流为1A,电位器为20W5Ω。注意,调差装置的电流互感器不能与AVR的电压测量变压器接在同一相中,例如,AVR的电压测变压器接在V-W相,那么调差用的电流互感受器应接在U相中。

  江苏星光发电设备有限公司在全国设有64个销售服务部,随时为用户提供设计、供应、调试、维修一条龙服务,欢迎您拔打热线:13878198542享受我们专业的技术支持。
首页|公司简介|产品展示|新闻中心|技术支持|客户案例|用户一览表|企业资质|网站地图|联系我们
版权所有:江苏星光发电设备有限公司 核心业务:发电机 柴油发电机 康明斯发电机 沃尔沃发电机
江苏省泰兴市古溪工业园区 联系电话:0523-87792307 苏ICP备13060714号-2
申明:本网站部分发电机技术资料来自互联网,江苏星光动力集团只为宣传作用,并不代表赞同其观点,文章如果有侵犯版权或违反相关法规,请告知我们立刻删除
发电机专家:星光柴油发电机网 版权所有!并保留所有权利。禁止复制,否则追究法律责任!


中国ICP
备案中心
不良信息
举报中心
网络110
报警服务
中国110
互联网协会
中国互联网协会
诚信企业
星光发电机荣誉
企业
荣誉