同城约跑16以上,上海顶级高端大圈,深圳商务模特经纪人预约,夜猫子(广佛深莞珠)平台

我公司自1992年开始,一直为“国家内燃机发电机组质量监督检查中心”检验合格的柴油发电机组制造厂商。公司拥有先进的检测设备、精湛的生产工艺、专业的制造设计、完善的质量管理体系、 雄厚的研发实力,服务网络遍布全国各地,随时为您提供设计、供应、调试、维修一条龙服务!

江苏星光柴油发电机组

江苏星光动力集团 >> 技术支持 >> 浅谈FKDF低压发电机控制屏结构

技术支持

浅谈FKDF低压发电机控制屏结构

[文章来源:星光] [发布日期:2023-01-14] [浏览次数:]
 FKDF低压发电机控制屏主要用于三相四线、电压400/230V、频率50Hz、额定功率 75?lOOOkW的发电机组,作低压发电机控制、保护、测量、并网和配电用。

FKDF低压发电机
FKDF低压发电机

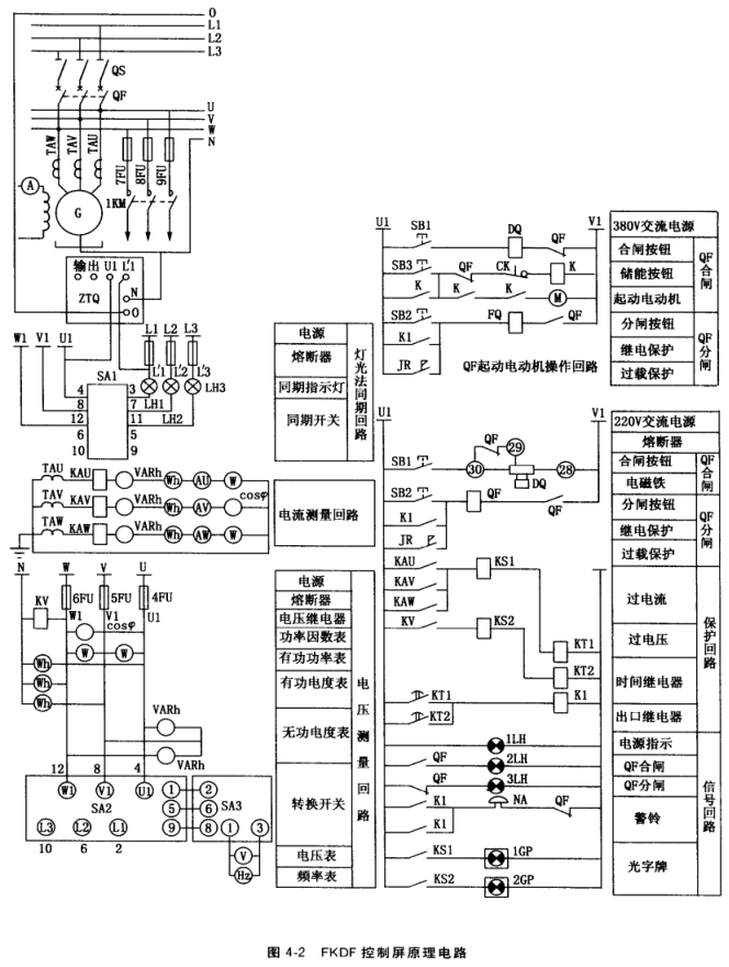
FKDF控制屏为封闭式结构,四面用钢板弯制而成,骨架采用成 型角钢(或钢板弯制),屏面上部为 开启式门,门上装有功率表、电流表(三相)、功率因数表、直流电流 表、频率表、电压表、信号灯、按 钮、并联装置和控制开关等,门内装有电压继电器、电流继电器、时 间继电器、信号继电器、屮间继电 器.有功、无功电度表和电铃等,屏的中部装刀开关和转换开关、自 动准同期装置,下部装电流互感器 等。其外形见图4-1,原理电路图 见图4-2,

相关文章推荐:

如需了解更多和相关报价欢迎关注下方微信二维码↓↓↓

柴油发电机组

扫一扫  关注微信
首页|公司简介|产品展示|新闻中心|技术支持|客户案例|用户一览表|企业资质|网站地图|联系我们
版权所有:江苏星光发电设备有限公司 核心业务:发电机 柴油发电机 康明斯发电机 沃尔沃发电机
江苏省泰兴市古溪工业园区 联系电话:0523-87792307 苏ICP备13060714号-2
申明:本网站部分发电机技术资料来自互联网,江苏星光动力集团只为宣传作用,并不代表赞同其观点,文章如果有侵犯版权或违反相关法规,请告知我们立刻删除
发电机专家:星光柴油发电机网 版权所有!并保留所有权利。禁止复制,否则追究法律责任!


中国ICP
备案中心
不良信息
举报中心
网络110
报警服务
中国110
互联网协会
中国互联网协会
诚信企业
星光发电机荣誉
企业
荣誉