我公司自1992年开始,一直为“国家内燃机发电机组质量监督检查中心”检验合格的柴油发电机组制造厂商。公司拥有先进的检测设备、精湛的生产工艺、专业的制造设计、完善的质量管理体系、 雄厚的研发实力,服务网络遍布全国各地,随时为您提供设计、供应、调试、维修一条龙服务!
24小时销售热线:13878198542
24小时服务热线:13878801642
控制器是柴油发电机组的大脑,柴油发电机组正常操作的命令全部在发电机控制器上进行操作,并对气压、油压等方面数据的跟踪。上一篇功苏星光公司简述了DGC-2020ES数字式机组控制器的特点和功能,本篇我们将详细解析一下DGC-2020ES数字式机组控制器的控制和指示,快跟我们一起来了解一下吧。
DGC-2020ES控制和指示器都位于前面板上,并用于本地控制和监控DGC-2020ES运行。前面板控制装置设置有按钮。前面板指示器包括LED(发光二极管)指示器和一个背光LCD(液晶显示器)。
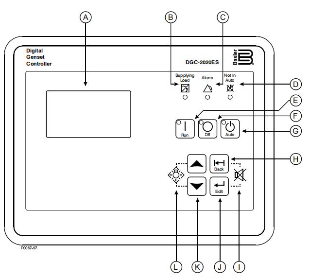
DGC-2020ES控制和指示器如图所示。图中标有字母的指示器与表格的控制和指示器说明对应。
DGC-2020ES数字式机组控制器前面板
|
Digitalgensetcontroller |
数字式发电机组控制器 |
|
Supplyingload |
提供负荷 |
|
Alarm |
报警 |
|
NotInAuto |
非自动 |
|
Run |
运行 |
|
Off |
关闭 |
|
Auto |
自动 |
|
Back |
后退 |
|
Edit |
编辑 |
|
定位器 |
内容 |
|
A |
液晶显示。背光,64*128像素LCD作为测量、报警、预警和防护功能的本地信息源。显示操作保持在-40℃。 |
|
B |
提供负荷指示器。当发电机电流大于应急电源(EPS)阈值电流时,绿色LED亮。 |
|
C |
报警指示器。在报警条件下,红色LED常亮,在预警条件下,红色LED闪烁。 |
|
D |
非自动指示器。当DGC-2020ES不运行在自动模式下,红色LED亮。DGC-2020ES在运行或关闭模式下工作,该LED开启。 |
|
E |
运行按钮以及模式指示。按下该按钮,设定DGC-2020ES为运行模式。当激活运行模式时,表示运行模式的绿色LED亮。 |
|
F |
关闭按钮以及模式指示。按下该按钮,设定DGC-2020ES为关闭模式。当DGC-2020ES处于关闭模式时,表示关闭模式的红色LED亮。此按钮也可重置断路器管理预警和所有MTUECU报警。 |
|
G |
自动按钮以及模式指示。按下自动按钮,设定DGC-2020ES为自动模式。当激活自动模式时,表示自动模式的绿色LED亮。 |
|
H |
后退按钮。按下此按钮,取消设置编辑会话,同时放弃设置修改。通过菜单浏览时,按下该按钮升至上一级。按下瞬间,该按钮也会重置断路器管理预警和所有MTUECU报警。当查看维护小时数或维护到期预警时,按压该按钮10秒,也可重置维护时间间隔。 |
|
I |
报警消音按钮组合。同时按返回和编辑按钮可断开设定为喇叭输出的继电器。 |
|
J |
编辑按钮。按下该按钮,开始编辑会话,并在DGC-2020ES设置中启用更改。在编辑会话结束时,按下编辑按钮来保存更改的设置。通过菜单浏览时,按下该按钮降至下一级。当键入字符串时(比如密码),该按钮锁定被选字符并移至下一位置。结束时,按编辑按钮两次可提交字符串。 |
|
K |
箭头按钮。使用这两个按钮,通过前面板上的显示菜单进行导航,并修改设置。在同一级内,向上、向下下箭头按钮用于在菜单水平内项目之间移动。按下下箭头按钮,移动至列表下方项目。按下上箭头按钮,移动至列表上方项目。在设置编辑会话期间,向上和向下箭头按钮用于增加并减少选定设置的值。 |
|
L |
灯测试按钮组合。同时按向上和向下箭头按钮,通过运用所有LCD像素点并尽可能长时间的点亮所有LED,以测试DGC-2020ES指示器。 |
以上是江苏星光公司为您分享的DGC-2020ES数字式机组控制器的控制和指示详解,希望对您有所帮助,江苏星光公司是国内生产发电机、柴油发电机组较早的厂家之一,公司拥有先进的检测设备、精湛的生产工艺、专业的制造技术、完善的质量管理体系、具有雄厚的研发技术实力,可提供15KW-2500KW各种规格发电机组,欢迎来电咨询。
